氫能被譽為21世紀最具發展潛力的清潔能源,氫能科技創新和產業發展持續得到各國青睞。氫能低碳環保,燃燒的產物只有水,是用能終端實現綠色低碳轉型的重要載體。氫能產業鏈分別為上游制氫、中游儲運以及下游用氫。上游制氫工藝目前大部分還是通過化石能源作為原料制取的“灰氫”,但隨著清潔能源發電規模的提高以及技術的進步,通過電解水制取的“綠氫”將是未來主流的工藝方式。氫的儲運根據使用場景的不同形成以長管拖車為主,液氫槽罐車、管道運輸為輔的多元化運輸體系。下游最主要的應用領域是氫能源汽車以及與之配套的加氫站等基礎設施,目前還處于快速發展階段。
工藝簡介


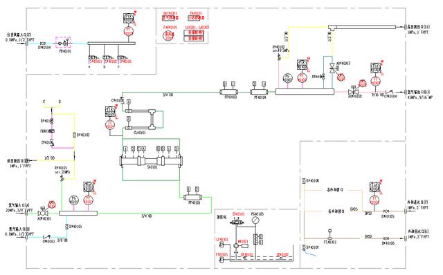
氫氣供應:氫氣可以通過多種方式獲得,包括但不限于電解水、天然氣重整等。對于加氫站來說,氫氣通常通過罐車從生產地運輸過來,或者直接通過管道輸送。
氫氣儲存:到達加氫站后,氫氣會被儲存在高壓容器中。根據不同的需求和技術條件,這些容器可以是地面固定式或地下埋設式的。為了保證安全,儲氫罐的設計和材料選擇非常重要。
壓縮/冷卻:如果氫氣不是以足夠高的壓力形式送達,則需要使用壓縮機將其加壓至適合車輛使用的水平(通常是35MPa)。此外,在某些情況下,還需要對氫氣進行冷卻處理,以降低其溫度并提高儲存效率。
加注:當有車輛需要加油時,操作員會將專用的加氫槍連接到車輛上的進氣口,并啟動加氫過程。在這個過程中,系統會自動調節流量和壓力,確保快速而安全地完成加注。
安全監控與維護:整個加氫站運行期間都需要密切監測各項參數,如壓力、溫度等,以確保系統的正常運作。同時,定期檢查設備狀態、更換磨損部件也是必不可少的工作內容之一。
應急處理措施:鑒于氫氣易燃易爆的特點,加氫站在設計之初就考慮到了各種可能發生的事故情況,并制定了相應的應急預案。這包括但不限于泄漏檢測報警裝置、緊急切斷閥以及消防設施等。
產品應用

客戶原方案使用1200及本體擴展模塊,替代方案為1200+MR30分布式IO,成本降幅為45%;開關量輸入模塊主要用于連接按鈕、加壓機運行及故障信號、閥門開到位及關到位信號;開關量輸出主要用于控制指示燈、電磁閥開關、壓縮泵啟停;模擬量輸入模塊主要用于采集罐體壓力、管道壓力、壓縮機出入口壓力及溫度、電機溫度等。
產品特點

總結
氫能產業的快速發展不僅依賴于制氫技術的綠色轉型與儲運體系的多元化構建,更離不開加氫站等基礎設施的安全高效運行。通過采用如1200+MR30分布式IO等創新技術方案,不僅顯著降低了成本(達45%),還優化了氫氣加注站的自動化控制流程,提升了系統的安全性和可靠性。未來,隨著氫能技術的不斷突破和成本的進一步降低,氫能將在能源轉型中扮演更加重要的角色,為實現全球綠色低碳發展貢獻力量。











評論