近期去拜訪客戶時,有聊到關于逆變器機殼帶電的問題,客戶很是困惑,并對逆變器廠家多有埋怨。作為逆變器從業者,筆者有必要在這里為逆變器正名:很多情況下,這個鍋,逆變器不背……

在討論機殼帶電問題之前,我們先來看看什么是EMC。
EMC(Electromagnetic Compatibility)即電磁兼容能力。逆變器作為電力電子設備,在出廠時會有嚴格的EMC要求,即既要對外部電磁環境有耐受(抗干擾)能力,又不能對周圍電子設備產生電磁干擾。若無法達到這一要求,逆變器不僅不能出廠,還會被判為不合格產品。
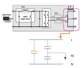
針對EMC要求,逆變器在交流輸出側,會以如下電路形式進行設計:

上圖中,L-PE以及N-PE間的電容被稱為Y電容,L-N間的電容被稱為X電容,X電容與Y電容也被叫做安全電容。做此設計的出發點,就是利用電容隔直通交的特性,把外界干擾和內部產生的一些高頻輻射,通過電容——地線的路徑進行濾除,從而增加逆變器的電磁兼容性。
一般地,在X/Y電容的選取上,也有限制。比如,X電容最好要并聯放電電阻,以保證電容上的電可在斷電后以足夠快的速度進行泄放;Y電容的選取要保證對地漏電流不能過大,通常溫帶地區要保證流過Y電容的漏電流≤0.35mA,而熱帶地區則要將漏電流范圍相應放寬一些,至≤0.7mA。
了解這些之后,我們把PE線(也就是接地線)去掉,看看會發生什么:

當兩個Y電容無差異時,兩個電容可被看作高阻抗的分壓電阻,B點的電壓等于交流電壓220V的一半,即110VAC。此時用電筆去測機殼,電筆指示燈亮的原因就是機殼帶了110VAC的電。因為Y電容的個體差異,以及現場環境等因素,用萬用表實測機殼對地的電壓大多在100-220VAC之間,此時觸碰機殼會有麻麻的感覺。當然,受環境干濕、鞋子絕緣等情況影響,人體感受也不盡相同。

其實,類似這種機殼帶電的情況,很多都是因為地線沒有接好或者未能成功連接。雖然多數逆變器Y電容已經過嚴格挑選,并保證漏電流不會危及人身安全,但依然不排除會有廠家選擇劣質元器件,從而導致危險發生。因此,為確保人身安全以及逆變器安全運行,還請務必接上地線!







評論